Link zur Hauptseite des Forums

LotharGehlhaar - Teichbauforum

DAS informative Forum der Koi-Szene
Link zur Enzyklopaedie
Aktuelle Zeit: Mi 25.Mär 2026 22:20

Alle Zeiten sind UTC + 1 Stunde




Ein neues Thema erstellen Auf das Thema antworten  [ 16 Beiträge ]  Gehe zu Seite 1, 2  Nächste
Autor Nachricht
BeitragVerfasst: Do 26.Apr 2018 10:18 
Offline
Anonymer User
Benutzeravatar

Registriert: Sa 23.Jan 2010 18:45
Cash on hand:
2.525,02 Taler

Beiträge: 431
Wohnort: Meckesheim bei Heidelberg
Hallo Gemeinde der Koiverrückten,

Mich würde mal interressieren wie Ihr den Wasserstand in den Teichen konstand haltet?

Einfache Methode: Wasserschlauch rein, laufen lassen, warten bis voll, Wasser zu und dann Schlauch raus ?
Oder automatisiert ?
Also bei mir läuft das so!!

Mein Teich, mit Pflanzenbecken und ca. 17 m Bachlauf hat etwa 30 m³.

Beim Filterreinigen ( USB 100 ) und oder durch Verdunstung geht immer Wasser verlohren.
Mir war das " Schlauch rein - Schlauch raus " zu viel Geschäft
.

Eine elektronische Lösung war mir zu aufwendigt.

Ich hatte vor Jahren schon die Idee und auch umgestzt und im Nachbarforum auch publiziert!
Daher hier auch als Info !! :hallo:

Daher habe ich für die Lösung mit einem mechanischen - automatischen - Nachfüller entschieden.

Der Vorteil liegt auf der Hand
Keine teueren Anschaffungskosten ( ca. 20.-- € ) :lol:
Kein Stromverbrauch :D
keine anfällige Technik :roll:

Einstellmöglichkeiten:
Wasserstanddifferenz zwischen 2 - 15 cm einstellbar ( am Hebellänge - Gestänge nach dem Ventil )
Öffnungs- und Schließpunkt am Einlaufventil einstellbar ( durch verschieben des Schwimmers in der Länge und der Neigung über das Gestänge )

Wasserzulauf abstellbar ?
Einfach den Wasserhahn zu und fertig.


Die Montage am Teichrand kann offen sichtbar ( bessere Überwachung ) in der Filterkammer oder an jedem anderen Ort erfolgen.
Klar ist aber, dass bei einem kleinem Wasservorrat im Becken in dem der Nachfüller hängt, die Öffnen- und Schließfunktion öfters ausgelöst wird.

Mein kleiner Teich hat etwa 2000l, er ist mit dem Hauptteich in einem Kreislauf verbunden. Dort findet der Nachfüllprozeß langsam statt, da sich der Wasserstand, z.b. beim Fiterreinigen
( Rückspülen Beadfilter ) nur langsam ändert.
Im kleinen Teich ist immer eine Pumpe in Betrieb, die den Hauptteich bis zum Überlauf befüllt. Wird jetzt am Hauptteich Wasser entnommen oder Verdunstet, wird das immer vom kleinen Teich ausgeglichen.
Gleichzeitig sinkt der Wasserstand im kleinen Teich, der Schwimmer senkt sich und fängt ab der auslösenden Schimmerstellung an, Frischwasser zulaufen zu lassen.
Das fängt mit einigen Tropfen an und geht dann langsam in mehr, mehr , mehr bis in den " Vollstrahl - maximaler Zufluß " über.
Genau so schließt das System auch wieder, von Vollstrahl, beim Anheben des Schwimmers, bis zum tropfen und komplett abstellen!

Einfacher und zuverlässiger geht es wirklich nicht. Und das ganze für 20.-- €

Hier mal ein Link zu solch einem System:
https://www.brama-west.de/de/Weidetechn ... -PEKI.html

Bild

Und hier noch in der Bucht mit genauer Beschreibung undFunktionsweise:
https://www.ebay.de/itm/PEKI-Messing-Sc ... XrG0ch9rKA

_________________
Gruß Bernd

Mein Garten bei YouTube:
http://www.youtube.com/watch?v=WtbyQeX3x8U
Unterwasser- Film - Aufnahmen 24.7.12
http://www.youtube.com/watch?v=JASvHVzT8bE


Nach oben
 Profil userposition on geomap  
 
BeitragVerfasst: Do 26.Apr 2018 11:08 
Offline
Realer User
Realer User
Benutzeravatar

Registriert: Mi 02.Apr 2014 20:44
Cash on hand:
1.274,91 Taler

Beiträge: 1701
Wohnort: 15xyz
Bei mir erledigt das die Senect Steuerung gleich mit.Angesteuert wird das Magnetventil je nach gewünschten Parametern per Pegelsensor ,per Zeitsteuerung oder einfach per Tastendruck manuell.

_________________
Gruß Ronny


Jedes Ding hat drei Seiten:
Eine die du siehst, eine die ich sehe und eine die wir beide nicht sehen.


Nach oben
 Profil userposition on geomap  
 
BeitragVerfasst: Do 26.Apr 2018 11:21 
Offline
Realer User
Realer User
Benutzeravatar

Registriert: Di 01.Mai 2012 9:32
Cash on hand:
861,49 Taler

Beiträge: 371
Wohnort: Mangfalltal
Moin Gemeinde,

bei mir läuft das ganz einfach über Zeitschaltuhr, mehrmals täglich kleinere Mengen, dann ist die Temperaturdifferenz des Frischwassers auch egal. Im Sommer, wenn ich mehr füttere, wird öfters Wasser dazugeleitet, im Winter eben seltener. Wenn ich mal den ganzen Tag den Bachlauf am Laufen habe und entsprechend Wasserverlust vorhanden ist (der Bachlauf läuft an einer Stelle etwas über) dann überbrücke ich die Zeitschaltuhr auch mal um den Wasserverlust auszugleichen.
Der Teich hat einen Überlauf, sodass ich mir um eine Pegelautomatik etc. keine Gedanken machen muss.

Funktioniert so problemlos seit es den Teich gibt (2012).

Gruß Kai


Nach oben
 Profil userposition on geomap  
 
BeitragVerfasst: Do 26.Apr 2018 12:00 
Offline
Anonymer User
Benutzeravatar

Registriert: Sa 23.Jan 2010 18:45
Cash on hand:
2.525,02 Taler

Beiträge: 431
Wohnort: Meckesheim bei Heidelberg
Hallo Ronny,
klar geht es auch technisch aufwändiger!
Aber was ist, wenn der Strom komplett ausfällt oder der zuständige FI auslöst ?
Dann steht das Nachfüllsystem !! :cry:

Hallo Kai,
Zeitschaltuhr oder Bewässerungscomputer ( mit Batterieen ) alles schön und gut !
Aber die letzten Monate hat es doch fast nur geregnet, bei uns im Süden weniger, aber im Norden des Landes regnet es ja immer noch !
Dann ist der Teich doch sowieso schon am überlaufen ( nicht wörtlich nehmen ) dann wird aber immer noch zu den eingestellten Zeiten Frischwasser nachgefüllt.
Schlecht für den Geldbeutel und für die Umwelt !

Das von mir vorgestellte primitive System erkennt ausschließlich am Wasserstand, ob ein Nachfüllen erforderlich ist! :hallo:
Damit sag ich aber nichts gegen die anderen Systeme, egal wie sie arbeiten. Alles hat vor und Nachteile ! 8)

_________________
Gruß Bernd

Mein Garten bei YouTube:
http://www.youtube.com/watch?v=WtbyQeX3x8U
Unterwasser- Film - Aufnahmen 24.7.12
http://www.youtube.com/watch?v=JASvHVzT8bE


Nach oben
 Profil userposition on geomap  
 
BeitragVerfasst: Do 26.Apr 2018 12:40 
Offline
Realer User
Realer User
Benutzeravatar

Registriert: Di 01.Mai 2012 9:32
Cash on hand:
861,49 Taler

Beiträge: 371
Wohnort: Mangfalltal
Hallo Bernd,
koi kuckuck hat geschrieben:
Hallo Kai,
Zeitschaltuhr oder Bewässerungscomputer ( mit Batterieen ) alles schön und gut !
Aber die letzten Monate hat es doch fast nur geregnet, bei uns im Süden weniger, aber im Norden des Landes regnet es ja immer noch !
Dann ist der Teich doch sowieso schon am überlaufen ( nicht wörtlich nehmen ) dann wird aber immer noch zu den eingestellten Zeiten Frischwasser nachgefüllt.
Schlecht für den Geldbeutel und für die Umwelt !

Das von mir vorgestellte primitive System erkennt ausschließlich am Wasserstand, ob ein Nachfüllen erforderlich ist! :hallo:

genaugenommen handelt es sich bei mir ja nicht um eine Nachfüllautomatik sondern um den notwendigen Wasserwechsel, der m. E. unabhängig vom Regenzulauf gemacht werden sollte. Die Nachfüllfunktion ist dann quasi automatisch mit drin :wink: . Und da das Wasser nicht aus der Leitung kommt, belastet es weder die Umwelt noch den Geldbeutel (abgesehen von zu vernachlässigenden Stromkosten für die Pumpe).
Und noch ein Wort zum Thema Stromausfall: Ich denke fast jeder Teich kann für die Dauer eines Stromausfalls auf einen Wasserwechsel oder das Nachfüllen verzichten. Dass da die Filterpumpe oder Belüftung nicht mehr läuft, sollte doch viel gravierender sein.

Gruß Kai


Nach oben
 Profil userposition on geomap  
 
BeitragVerfasst: Do 26.Apr 2018 13:11 
Offline
Realer User
Realer User
Benutzeravatar

Registriert: Do 09.Mai 2013 9:50
Cash on hand:
3.657,07 Taler

Beiträge: 1050
Wohnort: bei Pforzheim
koi kuckuck hat geschrieben:
Das von mir vorgestellte primitive System erkennt ausschließlich am Wasserstand, ob ein Nachfüllen erforderlich ist! :hallo:

Ich halte gar nichts von deinem System. Wie willst du denn so Wasser effektiv wechseln? Ich spreche hier von 50-100% pro Monat.
Das ist in meinen Augen nur eine Zusatzoption, um eine außerplanmäßige Wasserentnahme zwischen den oben erwähnten automatischen Nachfüllungen auszugleichen (ich selbst hänge gerne mal eine Pumpe in den Teich und gieße damit den Garten).

_________________
Viele Grüße,
Marc
Teich | IH


Nach oben
 Profil  
 
BeitragVerfasst: Do 26.Apr 2018 13:55 
Offline
Realer User
Realer User
Benutzeravatar

Registriert: Mo 09.Jan 2006 22:54
Cash on hand:
1.189,33 Taler

Beiträge: 661
Wohnort: Erkelenz
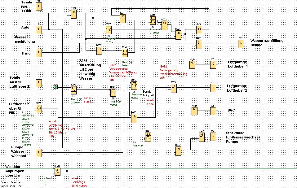
Hallo,

hier technisch aufwändiger. :lol:
Habe ich auf Wunsch für jemandem erstellt.


Dateianhänge:
Unbenannt 4.JPG
Unbenannt 4.JPG [ 285.8 KiB | 6318-mal betrachtet ]
Nach oben
 Profil userposition on geomap  
 
 Betreff des Beitrags: Werbung, um Taler einzunehmen
Verfasst: Mi 25.Mär 2026 22:20 
Online
Expertin
Benutzeravatar

Registriert: Mo 05.Dez 2005 19:01
Cash on hand:
immer zu wenige Taler

Beiträge: nur ein paar
Wohnort: Koi-Schnack
Anzeige:

_________________
Wenn du einen Monat lang ein werbefreies Forum willst, klicke hier und überweise mir 100 Taler!
Wenn du mich im Koi-Schnack etwas fragen möchtest, klicke hier!


Nach oben
 Profil Private Nachricht senden  
 
BeitragVerfasst: Do 26.Apr 2018 14:06 
Offline
Anonymer User
Benutzeravatar

Registriert: Do 02.Jan 2014 19:40
Cash on hand:
9.133,85 Taler

Beiträge: 2376
Wohnort: 670..
scullythecat hat geschrieben:
koi kuckuck hat geschrieben:
Das von mir vorgestellte primitive System erkennt ausschließlich am Wasserstand, ob ein Nachfüllen erforderlich ist! :hallo:

Ich halte gar nichts von deinem System. Wie willst du denn so Wasser effektiv wechseln? Ich spreche hier von 50-100% pro Monat.
Das ist in meinen Augen nur eine Zusatzoption, um eine außerplanmäßige Wasserentnahme zwischen den oben erwähnten automatischen Nachfüllungen auszugleichen (ich selbst hänge gerne mal eine Pumpe in den Teich und gieße damit den Garten).


Sehe das auch so :( ich habe meine Wasserwechsel über Zeitschaltuhr geregelt und ein Wasserstandssensor zusätzlich gleicht den Verbrauch des EBF und Trommlers aus.

Gruß Jürgen

_________________
Mein Teich:
https://www.youtube.com/watch?v=bQ380gUdcew&t=0s
Mein Filter:
https://www.youtube.com/watch?v=tOKGC3X1-Ak&t=0s


Nach oben
 Profil userposition on geomap  
 
BeitragVerfasst: Do 26.Apr 2018 14:11 
Offline
Realer User
Realer User
Benutzeravatar

Registriert: Mo 14.Nov 2005 20:39
Cash on hand:
5.741,65 Taler

Beiträge: 14535
Wohnort: 07548 Gera
Hallo Bernd,

bei mir wird viel Wasser gewechselt, so dass ich mindestens auf die wöchentlichen 10% komme. Das ist wesentlich mehr, als verdunstet und als Spülwasser drauf geht. Es läuft ohnehin viel über, also was solls?

Dieses Frischwasser wird bei mir eingefüllt, indem der Raspi zweimal täglich einen Schaltimpuls an die Brunnenpumpe schickt und Wasser nachfüllt. Bei Stromausfall geht der Raspi nicht, doch auch die Spülpumpe und die Brunnenpumpe würden ausfallen. Der Stromausfall fiele uns schnell auf...

Wer mit Leitungswasser arbeitet, kann eine Gardena-Schaltuhr oder ein analoges Gerät von Aldi verwenden, um den Zufluss zu steuern. Wenn die Batterie leer wird, wird man das schnell am Wasserstand merken.


Ja und für einen konstanten Wasserstand sorg ein ganz normaler Überlauf im Teich. Die Schwankungen liegen unter einem Zentimeter.



Pfiffikus,
der den Zufluss nur manuell einschaltet, wenn zuvor der Wasserstand künstlich abgesenkt worden ist


Nach oben
 Profil userposition on geomap  
 
BeitragVerfasst: Do 26.Apr 2018 14:56 
Offline
Anonymer User
Benutzeravatar

Registriert: Sa 23.Jan 2010 18:45
Cash on hand:
2.525,02 Taler

Beiträge: 431
Wohnort: Meckesheim bei Heidelberg
Upps, da geht die Post ab! :shock:
Da bin ich mal zwei Stunden im Garten und schon ist der Post voll ! :lol:
Zeigt mir doch, dass da ein gewisses Interesse besteht, wenn soviele etwas zu sagen / schreiben haben !

Ich hätte in der Überschrift vielleicht besser " automatisches mechanisches nachfüllen " geschrieben!!!! :mrgreen:
Denn hier soll es nicht um den kontrollierten Wasserwechsel gehen sondern um normalen Wasserverlust wie zb. Verdunstung, Gießwasserentnahme usw.
Und wer ein funktionierendes automatisches System installiert hat, okay, jeder nach seinem gut dünken, oder anderst ausgedrückt " wie er will "!

Aber Marc,
wenn Du jeden Monat Dein Teichvolumen, ich habe mir mal schnell Deinen Beitrag über die Baudoko angesehen ( Teichvolumen 40.000l ), von 20.000 - 40.000l erneuerst musst Du 2 Jobs haben.
Du kommst aus Pforzheim, also Baden Würtemberg, so wie ich. Bei uns haben die Abwasserkosten ab diesem Jahr, um 50 % augeschlagen!
Wir bezahlen jetzt knapp 3,50 € Abwasser und Niederschlagswasser für die Versiegelten Bodenflächen auf dem Grundstück, von 0,36 €, das sind fast 4.-- €.
Bei durchschnittlich 30.000 L Wasserwechsel im Monat sind das x 12 = 360.000 L Abwasser wären das ( 4 x 360 )= 1.440.-- € fürs Abwasser!

Schreib jetzt aber nicht, dass Du das alles im Garten vergießt! Da müsstest Du den Garten montlich fluten !
Und schreib jetzt auch nicht, " Ich befülle den Teich ja nicht mit Leitungswasser, leite aber das Abwasser in den Kanal und da nichts über die Wasseruhr läuft, können die mir auch nichts berechnen!
Denn dann beschei.t Du die Gemeinde ! :mrgreen:
Ich meine, wenn das so ist wie Du schreibst, dann stellt das eine absolute Ausnahme dar ! Oder wer füllt sonst noch jeden Monat seinen Teich komplett neu ??

Also bleiben wir doch bei den Teichbesitzern, die nicht über Highend Steuerungen verfügen und trotzdem eine Möglich suchen regelmässig nur die Wassermenge nachzufüllen, die unbeobachtet oder genutzt verloren geht.

Es soll noch Teichbesitzer geben, die mit Schwammfiltern arbeiten. :hallo:
Einfach mal locker bleiben ! :hugg:

_________________
Gruß Bernd

Mein Garten bei YouTube:
http://www.youtube.com/watch?v=WtbyQeX3x8U
Unterwasser- Film - Aufnahmen 24.7.12
http://www.youtube.com/watch?v=JASvHVzT8bE


Nach oben
 Profil userposition on geomap  
 
Beiträge der letzten Zeit anzeigen:  Sortiere nach  
Ein neues Thema erstellen Auf das Thema antworten  [ 16 Beiträge ]  Gehe zu Seite 1, 2  Nächste

Alle Zeiten sind UTC + 1 Stunde


Wer ist online?

Mitglieder in diesem Forum: Majestic-12 [Bot] und 19 Gäste


Du darfst keine neuen Themen in diesem Forum erstellen.
Du darfst keine Antworten zu Themen in diesem Forum erstellen.
Du darfst deine Beiträge in diesem Forum nicht ändern.
Du darfst deine Beiträge in diesem Forum nicht löschen.
Du darfst keine Dateianhänge in diesem Forum erstellen.

Suche nach:
Gehe zu:  
Powered by phpBB® Forum Software © phpBB Group
Deutsche Übersetzung durch phpBB.de