Link zur Hauptseite des Forums

LotharGehlhaar - Teichbauforum

DAS informative Forum der Koi-Szene
Link zur Enzyklopaedie
Aktuelle Zeit: Sa 06.Dez 2025 13:40

Alle Zeiten sind UTC + 1 Stunde




Ein neues Thema erstellen Auf das Thema antworten  [ 225 Beiträge ]  Gehe zu Seite 1, 2, 3, 4, 5 ... 23  Nächste
Autor Nachricht
BeitragVerfasst: Mi 18.Mär 2015 15:09 
Offline
Anonymer User
Benutzeravatar

Registriert: Do 03.Jan 2013 13:07
Cash on hand:
3.339,23 Taler

Beiträge: 646
Pfiffikus hat geschrieben:
Inzwischen habe ich den nächsten Basteltest gemacht.

Dateianhang:
DSCF5888.JPG


Dateianhang:
DSCF5890.JPG


Vier der angeschlossenen Ultraschallsensoren liefern plausible Werte, die etwa der Zimmergröße entsprechen. Der Fünfte hat wahrscheinlich einen Wackelkontakt und liefert, wenn man an der Verkabelung wackelt, einen sinnlosen Wert.

Es geht also! Der Raspi kanns!


Pfiffikus,
bei dessen Lötstellen eine ordentliche Zugentlastung offensichtlich Pflicht ist


Hallo Pfiffikus,

ein altes Thema. Ich habe gerade bei mir einen HC-SR04 angeschlossen.

Pin2 VCC 5V
Pin4 GND
Pin11 Echo über Spannungsteiler
Pin12 Trigger Siagnal

Ich habe mich gerade gefragt wie du die restlichen 3 Sensoren angeschlossen hast :?:

Nimmst du einfach das Triggersignal von Pin 12 parallel an alle und liest mit verschiedenen GPIO's das Echo?

Wenn du mir einfach eine Liste mit der Anschlussbelegung schicken würdest, könnte ich einen Schaltplan für die ENZI erstellen.

Danke :)

_________________
____________________
Viele Grüße
Dennis
____________________


Nach oben
 Profil userposition on geomap  
 
BeitragVerfasst: Mi 18.Mär 2015 15:24 
Offline
Realer User
Realer User
Benutzeravatar

Registriert: Mo 14.Nov 2005 20:39
Cash on hand:
5.741,65 Taler

Beiträge: 14533
Wohnort: 07548 Gera
Hallo Dennis,

schnuffi hat geschrieben:
Ich habe mich gerade gefragt wie du die restlichen 3 Sensoren angeschlossen hast :?:

Nimmst du einfach das Triggersignal von Pin 12 parallel an alle und liest mit verschiedenen GPIO's das Echo?

ja, so habe ich es gemacht. Ein PIN (weiß gerade nicht, welcher) gab für alle Trigger aus. Und ein PIN für jeden Sensor lauschte auf das Echo.

Es funktionierte nicht so ganz, wie ich wollte. Es gab ein Übersprechen von einzelnen PINs auf die anderen PINs, die ich in diesem Flachbandkabel aus dem Raspi heras geführt habe. Hier müsste irgendwer, der von Elektronik Ahnung hat, mal noch einen Pulldown-Lösung passend zusammenstellen.


Pfiffikus,
der davon ausgeht, dass dies helfen würde


Nach oben
 Profil userposition on geomap  
 
BeitragVerfasst: Do 19.Mär 2015 7:42 
Offline
Anonymer User
Benutzeravatar

Registriert: Do 03.Jan 2013 13:07
Cash on hand:
3.339,23 Taler

Beiträge: 646
Pfiffikus hat geschrieben:
Hallo Dennis,

schnuffi hat geschrieben:
Ich habe mich gerade gefragt wie du die restlichen 3 Sensoren angeschlossen hast :?:

Nimmst du einfach das Triggersignal von Pin 12 parallel an alle und liest mit verschiedenen GPIO's das Echo?

ja, so habe ich es gemacht. Ein PIN (weiß gerade nicht, welcher) gab für alle Trigger aus. Und ein PIN für jeden Sensor lauschte auf das Echo.

Es funktionierte nicht so ganz, wie ich wollte. Es gab ein Übersprechen von einzelnen PINs auf die anderen PINs, die ich in diesem Flachbandkabel aus dem Raspi heras geführt habe. Hier müsste irgendwer, der von Elektronik Ahnung hat, mal noch einen Pulldown-Lösung passend zusammenstellen.


Pfiffikus,
der davon ausgeht, dass dies helfen würde


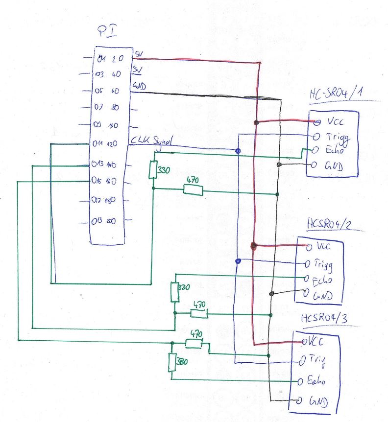
Hallo Pfiffikus,

ich hätte die Sensoren so angeschlossen. Die verwendeten GPIO's für das ECHO kann man ja noch ändern. In dem Fall wäre der 470 Ohm Widerstand der Pulldown und würde bei nicht eingheschalteter Spannung den GPIO auf definiertenen GND ziehen.

Hattest du die Sensoren so angeschlossen?
Dateianhang:
HC-SR04.jpg
HC-SR04.jpg [ 73.48 KiB | 17960-mal betrachtet ]


Gruß Dennis

_________________
____________________
Viele Grüße
Dennis
____________________


Nach oben
 Profil userposition on geomap  
 
BeitragVerfasst: Do 19.Mär 2015 12:38 
Offline
Realer User
Realer User
Benutzeravatar

Registriert: Mo 14.Nov 2005 20:39
Cash on hand:
5.741,65 Taler

Beiträge: 14533
Wohnort: 07548 Gera
Hallo Dennis,

schnuffi hat geschrieben:
Hattest du die Sensoren so angeschlossen?

zum Teil. Einen Widerstand, der hier mit 330 beschriftet ist, hatte ich an jedem Sensor eingebaut. Er mildert das 5V-Echo ab, so dass es von den PINs vertragen werden kann.
Den anderen Widerstand hatte ich nicht benutzt.


Pfiffikus,
der hier an diesem Schreibtisch keine Zahlenwerte für den Widerstand vergleichen kann


Nach oben
 Profil userposition on geomap  
 
BeitragVerfasst: Do 19.Mär 2015 13:15 
Offline
Konstrukteur Teichtechnik
Konstrukteur Teichtechnik

Registriert: So 14.Jan 2007 16:36
Cash on hand:
646,16 Taler

Beiträge: 1075
Wohnort: bei Leipzig
Hallo Dennis,
so wie Du das oben gezeichnet hast, ist das schon korrekt.
Die beiden Widerstände bilden einen Spannungsteiler. Damit wird das 5V Ausgangssignal des Sensors auf für den RasPi ungefährliche 3V herabgesetzt. Dafür sind beide Widerstände nötig.

_________________
Viele Grüße, paulinchen


Nach oben
 Profil  
 
BeitragVerfasst: Do 19.Mär 2015 13:24 
Offline
Anonymer User
Benutzeravatar

Registriert: Do 03.Jan 2013 13:07
Cash on hand:
3.339,23 Taler

Beiträge: 646
Pfiffikus hat geschrieben:
Hallo Dennis,

schnuffi hat geschrieben:
Hattest du die Sensoren so angeschlossen?

zum Teil. Einen Widerstand, der hier mit 330 beschriftet ist, hatte ich an jedem Sensor eingebaut. Er mildert das 5V-Echo ab, so dass es von den PINs vertragen werden kann.
Den anderen Widerstand hatte ich nicht benutzt.


Pfiffikus,
der hier an diesem Schreibtisch keine Zahlenwerte für den Widerstand vergleichen kann


Hallo Pfiffikus,

nicht ganz.

Die beiden Widerstände, die du dort siehst fungieren als Spannungsteiler, damit (wie du schon geschrieben hast) die 5V Echo nicht den GPIO zerstören.
Der 330Ohm Widerstand erzeugt einen Spannungsfall von 2,06V. Somit gelangen noch max. 3V an den GPIO.
X = Spannungsfall
X=5V * 330Ohm/(330+470)Ohm = 2,06V
Der Vorteil des 470Ohm Widerstandes ist, dass wenn kein Signal vom HC-SR04 ausgegeben wird, der GPIO auf einem definierten Wert liegt(in diesem Fall GND). Macht die Sache nicht so störanfällig für parallel bertiebene Leitungen.

Wenn du nur einen Widerstand verwendet hast war es bestimmt ein 1kOhm weil bei 330 Ohm der Strom vermutlich zu hoch wäre. Der eine Widerstand minimiert nur den Strom, über den fließenden Strom vom Echo zum PI gibt es dann auf dem 1kOhm Widerstand einen Spannungsgfall. Aber dieser kann evtl. undefinierte Zustäande einnehmen. Das war bestimmt das was du schon beobachtet hattest.

Ich versuche mal den Aufbau so wie ich es gezeichnet habe zu realisieren. Welche Pins hast du denn für die anderen Sensoren benutzt? Dann können wir ja unsere Ergebnisse vergleichen, ob diese Schaltung das Problem löst.

Edit: Paulinchen war schneller :hammer3: :D

_________________
____________________
Viele Grüße
Dennis
____________________


Nach oben
 Profil userposition on geomap  
 
BeitragVerfasst: Do 19.Mär 2015 22:24 
Offline
Konstrukteur Teichtechnik
Konstrukteur Teichtechnik

Registriert: So 14.Jan 2007 16:36
Cash on hand:
646,16 Taler

Beiträge: 1075
Wohnort: bei Leipzig
Tome91 hat geschrieben:
Lad dir den notifications launcher aus dem app store, damit kannst du dann aus dem notifications center urls erstellen und schnell aufrufen, das wär doch auch schon nen comfortabler schritt:)

Was willst Du uns denn damit sagen ??? :roll:

Schreib doch mal so, dass andere Deine Gedanken auch nachvollziehen können, ohne jetzt zum Bsp. erst die App zu installieren und testen zu müssen...

Edit: Robert's Antwort habe ich übersehen, sorry. Aber Du siehst, dass andere auch ein Problem mit dem Sinn Deines Beitrags haben.

_________________
Viele Grüße, paulinchen


Nach oben
 Profil  
 
 Betreff des Beitrags: Werbung, um Taler einzunehmen
Verfasst: Sa 06.Dez 2025 13:40 
Online
Expertin
Benutzeravatar

Registriert: Mo 05.Dez 2005 19:01
Cash on hand:
immer zu wenige Taler

Beiträge: nur ein paar
Wohnort: Koi-Schnack
Anzeige:

_________________
Wenn du einen Monat lang ein werbefreies Forum willst, klicke hier und überweise mir 100 Taler!
Wenn du mich im Koi-Schnack etwas fragen möchtest, klicke hier!


Nach oben
 Profil Private Nachricht senden  
 
BeitragVerfasst: Fr 20.Mär 2015 21:42 
Offline
Anonymer User
Benutzeravatar

Registriert: Do 03.Jan 2013 13:07
Cash on hand:
3.339,23 Taler

Beiträge: 646
Hallo Zusammen,

ich habe heute verzweifelt versucht den HC-SR04 Sensor an meinem Raspberry PI 2 zum laufen zu bekommen.

Leider bisher ohne Erfolg :hammer3:

Zu meinem Problem:
Unter Pegel den Sensor anzumelden hat nicht funktioniert. -> Nicht weiter schlimm, dachte mir dann mache ich es erst einmal manuell über ein Python skript :roll:

Naja gesagt getan:
Als erstes habe ich mir die RPI.GPIO installiert 0.5.5 -> bis ich gemerkt hatte das ich nicht die aktuelle Version 0.5.11 hatte verging schon mal einiges an Zeit. Ab der Version 0.5.10 wird wohl auch der PI2 unterstützt :?:

So wird das Paket manuell installiert:
$ wget https://pypi.python.org/packages/source ... .11.tar.gz #Version 0.5.11 Herunterladen
$ tar -xvf RPi.GPIO-0.5.11.tar.gz #Archiv entpacken
$ cd RPi.GPIO-0.5.11 #in das Verzeichnis wechseln
$ sudo python setup.py install #neuste Libary installieren

Den Code zum ausführen des HCSR04 habe ich von der Website HC-SR04
"#!/usr/bin/env python
# -*- coding: utf-8 -*-

# import required modules
import time
import RPi.GPIO as GPIO

# define GPIO pins
GPIOTrigger = 18
GPIOEcho = 17

# function to measure the distance
def MeasureDistance():
# set trigger to high
GPIO.output(GPIOTrigger, True)

# set trigger after 10µs to low
time.sleep(0.00001)
GPIO.output(GPIOTrigger, False)

# store initial start time
StartTime = time.time()

# store start time
while GPIO.input(GPIOEcho) == 0:
StartTime = time.time()

# store stop time
while GPIO.input(GPIOEcho) == 1:
StopTime = time.time()

# calculate distance
TimeElapsed = StopTime - StartTime
Distance = (TimeElapsed * 34300) / 2

return Distance

# main function
def main():
try:
while True:
Distance = MeasureDistance()
print("Measured Distance = %.1f cm" % Distance)
time.sleep(1)

# reset GPIO settings if user pressed Ctrl+C
except KeyboardInterrupt:
print("Measurement stopped by user")
GPIO.cleanup()

if __name__ == '__main__':
# use GPIO pin numbering convention
GPIO.setmode(GPIO.BCM)

# set up GPIO pins
GPIO.setup(GPIOTrigger, GPIO.OUT)
GPIO.setup(GPIOEcho, GPIO.IN)

# set trigger to false
GPIO.output(GPIOTrigger, False)

# call main function
main()

"

Leider bekomme ich diese Fehlermeldung:
Hab auch schon gegooglet, leider den Workaround der vorher da war soll schon in die 0.5.11 integriert sein :?: Wer weiß :?: :?:

pi@raspberrypiTEICH ~ $ sudo python test_HCSR04.py
5sec warten
Ultrasonic Measurement
test_HCSR04.py:18: RuntimeWarning: This channel is already in use, continuing anyway. Use GPIO.setwarnings(False) to disable warnings.
GPIO.setup(GPIO_TRIGGER,GPIO.OUT) # Trigger

Vielleicht kann ja mal jemand von euch das mit einem PI 1 ausprobieren, ob es bei mir am PI2 liegt. Wäre super :)

_________________
____________________
Viele Grüße
Dennis
____________________


Nach oben
 Profil userposition on geomap  
 
BeitragVerfasst: Fr 20.Mär 2015 21:50 
Offline
Anonymer User
Benutzeravatar

Registriert: Do 03.Jan 2013 13:07
Cash on hand:
3.339,23 Taler

Beiträge: 646
Ach ja hier noch mein Aufbau

Auf der Platine sind die Spannungsteiler eingelötet

zurzeit sind drei Sensoren verbunden



Gesendet von meinem GT-I9305 mit Tapatalk 2


Dateianhänge:
uploadfromtaptalk1426884632791.jpg
uploadfromtaptalk1426884632791.jpg [ 54.26 KiB | 18058-mal betrachtet ]
uploadfromtaptalk1426884616232.jpg
uploadfromtaptalk1426884616232.jpg [ 64.47 KiB | 18058-mal betrachtet ]
uploadfromtaptalk1426884594203.jpg
uploadfromtaptalk1426884594203.jpg [ 47.29 KiB | 18058-mal betrachtet ]

_________________
____________________
Viele Grüße
Dennis
____________________
Nach oben
 Profil userposition on geomap  
 
BeitragVerfasst: So 22.Mär 2015 16:28 
Offline
Anonymer User
Benutzeravatar

Registriert: Do 03.Jan 2013 13:07
Cash on hand:
3.339,23 Taler

Beiträge: 646
Hey Pfiffikus,

Mit welchem code hattest du deine Ultraschall Sensoren angesprochen?

Danke und Gruß

Gesendet von meinem GT-I9305 mit Tapatalk 2

_________________
____________________
Viele Grüße
Dennis
____________________


Nach oben
 Profil userposition on geomap  
 
Beiträge der letzten Zeit anzeigen:  Sortiere nach  
Ein neues Thema erstellen Auf das Thema antworten  [ 225 Beiträge ]  Gehe zu Seite 1, 2, 3, 4, 5 ... 23  Nächste

Alle Zeiten sind UTC + 1 Stunde


Wer ist online?

Mitglieder in diesem Forum: 0 Mitglieder und 6 Gäste


Du darfst keine neuen Themen in diesem Forum erstellen.
Du darfst keine Antworten zu Themen in diesem Forum erstellen.
Du darfst deine Beiträge in diesem Forum nicht ändern.
Du darfst deine Beiträge in diesem Forum nicht löschen.
Du darfst keine Dateianhänge in diesem Forum erstellen.

Suche nach:
Gehe zu:  
Powered by phpBB® Forum Software © phpBB Group
Deutsche Übersetzung durch phpBB.de