Link zur Hauptseite des Forums

LotharGehlhaar - Teichbauforum

DAS informative Forum der Koi-Szene
Link zur Enzyklopaedie
Aktuelle Zeit: Mi 29.Apr 2026 5:21

Alle Zeiten sind UTC + 1 Stunde




Ein neues Thema erstellen Auf das Thema antworten  [ 33 Beiträge ]  Gehe zu Seite Vorherige  1, 2, 3, 4  Nächste
Autor Nachricht
 Betreff des Beitrags: Re: KON-KOI Teichbau 2014
BeitragVerfasst: So 27.Apr 2014 21:20 
Offline
Realer User
Realer User
Benutzeravatar

Registriert: Di 26.Apr 2011 11:58
Cash on hand:
1.698,14 Taler

Beiträge: 585
Wohnort: 41849
Wie viele Fische hast Du im Pool und wie viel Liter fasst er ? Ich kann Dir nur raten gerade in der ersten Zeit den Pool gut abzudecken, denn die Fische werden erst mal versuchen raus zu kommen. Ich spreche aus Erfahrung ;-( . Und mindestens alle 3 Tage Wasserwechsel machen, wenn nicht öfter. Wasserwerte im Auge behalten und nicht nur an den neuen Teich denken ;-))


Gesendet von meinem iPad mit Tapatalk

_________________
Harmonie gleich Koi :-)))

Teich:
30.000 Liter
Selbstbau 2-Kammerbiofilter mit Japanmatten und Helix bewegt
Selbstbau Trommler von http://www.tier-teichbedarf-gnisdza.de
2x Oase Aquamax Gravity eco 15000
Biofriend von Tier- und Teichbedarf Gnisdza
1x 10.000er Pumpe für Biofriend
1x JDK 80 Sauerstoff im Filter
1x Hailea V30 Sauerstoff Teich
UVC 75W Amalgam
3 KW Heizer

IH:
2000 Liter
10.000er Pumpe 80W von IH zum Ultrasieve - in 300l Regentonne gefüllt mit Bürsten - 10.000er Pumpe 80W über 38W UVC in Rieselfilter - zurück in IH
Highblow HP40 Sauerstoff


Nach oben
 Profil  
 
 Betreff des Beitrags: Re: AW: KON-KOI Teichbau 2014
BeitragVerfasst: Mo 28.Apr 2014 6:44 
Offline
Anonymer User

Registriert: Mo 17.Feb 2014 8:47
Cash on hand:
1.054,33 Taler

Beiträge: 232
Wohnort: Bonn
Giovanne32 hat geschrieben:
Wie viele Fische hast Du im Pool und wie viel Liter fasst er ? Ich kann Dir nur raten gerade in der ersten Zeit den Pool gut abzudecken, denn die Fische werden erst mal versuchen raus zu kommen. Ich spreche aus Erfahrung ;-( . Und mindestens alle 3 Tage Wasserwechsel machen, wenn nicht öfter. Wasserwerte im Auge behalten und nicht nur an den neuen Teich denken ;-))


Gesendet von meinem iPad mit Tapatalk


Kann ich voll bestätigen. Einer ist bei mir ja rausgeaprungen aber alles ist gut gegangen. Wasserwechsel hatte ich am Ende alle 3 Tage gemacht.

Abdeckt ist der pool nun mit einem starken Netz. Das erste haben die fische zerrissen. Hatte meins am Ende günstig von o..e bekommen vom Händler nebenan. Hat direkt die richtige große das es auch auf den neuen Teich passt.

Gruß
Daniel

Gruß
Daniel


Nach oben
 Profil userposition on geomap  
 
 Betreff des Beitrags: Re: AW: KON-KOI Teichbau 2014
BeitragVerfasst: Mo 28.Apr 2014 6:47 
Offline
Anonymer User

Registriert: Mo 17.Feb 2014 8:47
Cash on hand:
1.054,33 Taler

Beiträge: 232
Wohnort: Bonn
KON-KOI hat geschrieben:
Hallo Forengemeinde,

nach langer Planung und fast genauso langem sparen ist es nun soweit.
Wir beginnen mit unserem dritten und diesmal auch letztem Teich.

Was ist geplant:
Teichvolumen ca. 30-34m³
Teichwände steil und mit 17,5er Schalungssteinen hochgezogen. Kein Hochteich - soll mit der Erde abschließen.
Bodenplatte mit ca. 5cm dicken Betonschicht (wir haben drunter sehr harten Lehm, dieser wird wohl auch das größte Problem beim Bau darstellen)
2 110er Bodenabläufe
1 Skimmer (ca. 75cm unter Wasserniveau)
Die Bodenabläufe und der Skimmer enden Beide in einer Sammelkammer und von hier geht es weiter mit einer Pumpe in den Filter
2 110er Rückläufe (ca. 50cm unter Wasserniveau)
2mm HDPE Folie werden wir uns vom Teichbauer einschweißen lassen.

Zu den Gegebenheiten:
Aktuell haben wir einen Genesis Evo3/500 Vliesfilter(gepumpt), dieser wird auch vorerst bleiben. Wir wissen, dass er an seine Grenzen geht beim neuen Teichvolumen, jedoch sind am Anfang auch nur 3Koi und 2 Sterlets von meiner Frau drin(evtl. schaffe ich es noch Sie zu überreden, dass "Störe"-stören ;-) )
Der Filterplatz ist so gewählt, dass wir anschließend die Möglichkeit haben den größeren Filter auf diesem Platz aufzustellen, entweder dann in Schwerkraft, oder auch gepumpt - hier haben wir uns noch nicht festgelegt und lassen das noch offen. Es wird dann vermutlich ein Genesis3/750 werden...
Ein Trommelfilter fällt flach, da wir keine Abwasserleitung dort hin bekommen, bzw. ansonsten knappe 30 meter durch den Garten buddeln müssten und mit einer Hebeanlage arbeiten und das möchten wir vermeiden, zudem sind wir mit dem Vliesfilter sehr zufrieden.

Wie es nun losgehen wird:
1.Am Wochenende planen wir die Fische in einen Pool umzusetzen und den Filter direkt mit anzuschließen.

2.Anschließend wird angefangen die Erde vom neuen Teich in den alten zu füllen (da sich der Standort ändern wird).
Sobald der alte Teich nicht mehr zu erkennen ist werden wir Container bestellen und die Erde wird weggeschafft.

3. Verrohrung vorbereiten

4. Bodenplatte gießen und die ersten Schalungssteine in den Beton mit einbauen

5. Teichvlies einlegen

6. Folie einschweißen lassen

7. Teichumrandung fertig machen

8. Mit Wasser befüllen, Filter anschließen und Koi rein

9. Da der Teich in einer Ecke vom Garten geplant ist (Der Garten ist nicht so groß) möchten wir wegen Kinderschutz einen Mis aus Glaszaun, sowie Stabmattenzaun verbauen, sodass der Teich Kindersicher sein sollte.

10. Grillparty mit den Helfern

Haben wir etwas vergessen?
Straffe Zeitplanung: 2 Monate (ist dies überhaupt realisitisch bei so einem Vorhaben? )

Wenn ihr Anregungen etc. habt, dann bitte direkt schreien. Wir sind für jegliche Hilfe dankbar und wenn wir einen Planungsfehler etc. haben, dann freuen wir uns natürlich im Voraus wenn wir darauf aufmerksam gemacht werden, anstatt mit diesem Leben zu müssen.

VG
Rafael + Frau :-)


Der Zaun sollte mindestens 90 cm hoch sein. Mein "großer" hat den auch schon versucht zu erstürmen. Baue auch genug Türen ein um an den teich zu kommen. Habe bei mir 3 Zugänge eingebaut.

Wollt ihr das nur am Wochenende machen oder auch in der Woche. Ich habe hier auch ca 2 Monate gebraucht ( und werde hoffentlich morgen fertig)


Nach oben
 Profil userposition on geomap  
 
 Betreff des Beitrags: Re: KON-KOI Teichbau 2014
BeitragVerfasst: Mo 28.Apr 2014 9:25 
Offline
Realer User
Realer User
Benutzeravatar

Registriert: Di 26.Apr 2011 11:58
Cash on hand:
1.698,14 Taler

Beiträge: 585
Wohnort: 41849
Ich hab den Zaun Melabel Teichzaun light gekauft aber noch nicht aufgebaut. Ist ganz einfach zu montieren. Habs schon probiert muss aber noch warten bis andere Dinge fertiggestellt sind. Da können wegen der fehlenden Querstreben keine Kinder hoch klettern. Mit einem Törchen drin. Hab nur die Hälfte meines Grundstücks mit dem Zaun gesichert und wenn man durch das Törchen geht hat man von der anderen Seite freie Sicht auf die Fische.


Gesendet von meinem iPad mit Tapatalk

_________________
Harmonie gleich Koi :-)))

Teich:
30.000 Liter
Selbstbau 2-Kammerbiofilter mit Japanmatten und Helix bewegt
Selbstbau Trommler von http://www.tier-teichbedarf-gnisdza.de
2x Oase Aquamax Gravity eco 15000
Biofriend von Tier- und Teichbedarf Gnisdza
1x 10.000er Pumpe für Biofriend
1x JDK 80 Sauerstoff im Filter
1x Hailea V30 Sauerstoff Teich
UVC 75W Amalgam
3 KW Heizer

IH:
2000 Liter
10.000er Pumpe 80W von IH zum Ultrasieve - in 300l Regentonne gefüllt mit Bürsten - 10.000er Pumpe 80W über 38W UVC in Rieselfilter - zurück in IH
Highblow HP40 Sauerstoff


Nach oben
 Profil  
 
 Betreff des Beitrags: Re: KON-KOI Teichbau 2014
BeitragVerfasst: Mo 28.Apr 2014 22:32 
Offline
Anonymer User
Benutzeravatar

Registriert: Di 22.Mai 2012 10:50
Cash on hand:
2.349,63 Taler

Beiträge: 85
Hallo,
der Pool hat 2300 Liter. Habe nur 2 Koi und 2 Sterlets drin. Alle anderen habe ich vor dem Teichumbau verkauft.

Ein Koi hat sich leider beim rausspringen an der Schnauze verletzt..., ich habe ihn schön mit dem Umsetzschlauch eingesetzt und als ich gerade die Abdeckung holen war hat er die Zeit genutzt und ist raus gesprungen :-( Seitdem die Abdeckung drauf ist, scheint alles ok zu sein ;-)

Danke für die Infos mit dem Zaun.

Wir haben heute die ersten 30cm ausgebuddelt, sowie den alten Teich schon gut zugeschüttet..., ich werde mal morgen bei Tageslicht Bilder machen.
Ich werde mal nun eine Suchanfrage für einen Trommler machen :-) Falls jemand einen Tip hat, immer her damit.

VG
Rafael


Nach oben
 Profil  
 
 Betreff des Beitrags: Re: KON-KOI Teichbau 2014
BeitragVerfasst: Do 01.Mai 2014 12:59 
Offline
Anonymer User
Benutzeravatar

Registriert: Di 22.Mai 2012 10:50
Cash on hand:
2.349,63 Taler

Beiträge: 85
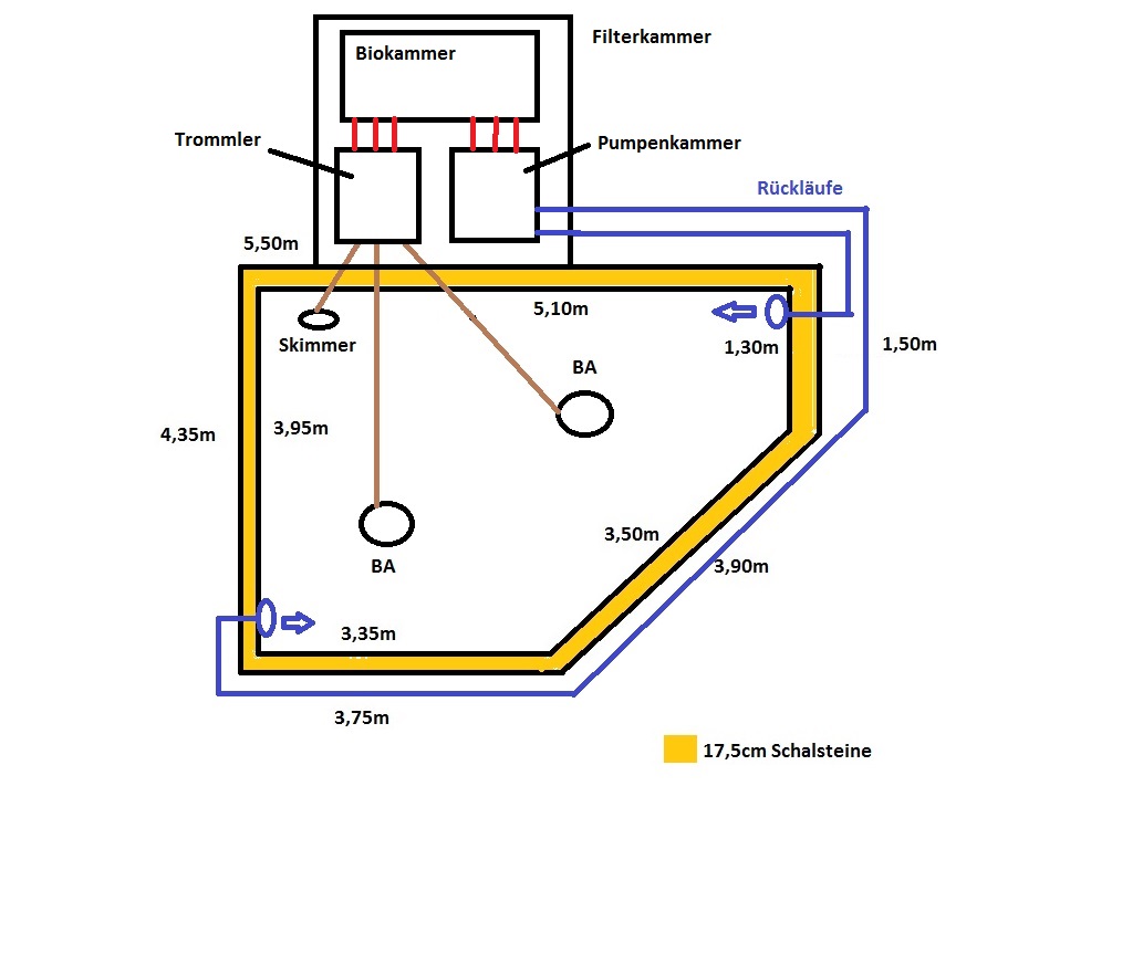
Hallo,

anbei die neue Planung mit der Filterkammer.

Auf der detailierten Zeichnung der Filterkammer habe ich mal angezeichnet wie ich mir die Verrohrung, sowie Aufstellung vorstelle.

Passt die Vorgehensweise soweit, oder habt ihr noch paar Änderungsvorschläge etc.?

Die Filterkammer wird ein Innenmaß von 1,20m Breite, sowie 2,40m Länge und 90cm Tiefe haben.

Ist die Biokammer ausreichend dimensioniert?

Vielen Dank schonmal

Grüße
Rafael


Dateianhänge:
Dateikommentar: Filterkammer-v1
Filterkammer_v1.jpg
Filterkammer_v1.jpg [ 86.46 KiB | 9983-mal betrachtet ]
Dateikommentar: Teichplan inkl. Verrohrung
Teichplan - Verrohrung - Neu.jpg
Teichplan - Verrohrung - Neu.jpg [ 96.95 KiB | 9983-mal betrachtet ]
Nach oben
 Profil  
 
 Betreff des Beitrags: Re: KON-KOI Teichbau 2014
BeitragVerfasst: Mi 07.Mai 2014 14:00 
Offline
Anonymer User
Benutzeravatar

Registriert: Di 22.Mai 2012 10:50
Cash on hand:
2.349,63 Taler

Beiträge: 85
So, mal ein Update:

der alte Teich ist fast zugeschüttet..., die oberen Steine werde ich noch weg machen und den Rest mit Erde aufschütten...

die Form vom neuen Teich kann man erkennen...
Da ich die letzten Tage beruflich sehr eingespannt war, habe ich mich entschlossen den Teich von einem Unternehmen ausbuddeln zu lassen, anschließend mache ich wieder weiter :hallo:
Dies wird nächste Woche erfolgen.

Anbei noch 2 Bilder :|

VG
Rafael


Dateianhänge:
Dateikommentar: Neuer Teich
IMG_neu_teich_1.jpg
IMG_neu_teich_1.jpg [ 736.73 KiB | 9926-mal betrachtet ]
Dateikommentar: Alter Teich
IMG_alt_teich_1.jpg
IMG_alt_teich_1.jpg [ 713.93 KiB | 9927-mal betrachtet ]
Nach oben
 Profil  
 
 Betreff des Beitrags: Werbung, um Taler einzunehmen
Verfasst: Mi 29.Apr 2026 5:21 
Online
Expertin
Benutzeravatar

Registriert: Mo 05.Dez 2005 19:01
Cash on hand:
immer zu wenige Taler

Beiträge: nur ein paar
Wohnort: Koi-Schnack
Anzeige:

_________________
Wenn du einen Monat lang ein werbefreies Forum willst, klicke hier und überweise mir 100 Taler!
Wenn du mich im Koi-Schnack etwas fragen möchtest, klicke hier!


Nach oben
 Profil Private Nachricht senden  
 
 Betreff des Beitrags: Re: KON-KOI Teichbau 2014
BeitragVerfasst: Fr 09.Mai 2014 8:32 
Offline
Anonymer User
Benutzeravatar

Registriert: Di 22.Mai 2012 10:50
Cash on hand:
2.349,63 Taler

Beiträge: 85
Hallo,

mal paar Fragen, da ich gerne Material bestellen möchte:
sind die orangenen KG Rohre ausreichend, oder benötige ich die grünen?

Wie kann ich den Betonverbrauch für die Füllung der 17,5er Schalsteine berechnen, damit ich hier nicht all zu sehr schätzen muss.

Die Rohre von den Bodenabläufen sollen ja in Sand gelegt werden und auch damit abgedeckt, muss ich hier noch etwas beachten?

Meine Bestellliste sieht aktuell folgendermaßen aus:
17,5er Schalsteine
Armierungsmatten
8er Armierungsstahl
Zement
KG-Rohre

Fehlt hier noch etwas, dass ich gleich mitliefern lassen kann? :-)

VG
Rafael


Nach oben
 Profil  
 
 Betreff des Beitrags: Re: KON-KOI Teichbau 2014
BeitragVerfasst: Fr 09.Mai 2014 9:01 
Offline
Anonymer User

Registriert: So 28.Mär 2010 13:31
Cash on hand:
525,11 Taler

Beiträge: 511
Wenn ich nochmal bauen würde würde ich keine PVC röhre mehr nehmen. Mind kg 2000


Gesendet von meinem iPhone mit Tapatalk


Nach oben
 Profil  
 
 Betreff des Beitrags: Re: KON-KOI Teichbau 2014
BeitragVerfasst: Fr 09.Mai 2014 9:01 
Offline
Anonymer User

Registriert: So 28.Mär 2010 13:31
Cash on hand:
525,11 Taler

Beiträge: 511
Betonkies sonst ist nix mit betonieren [FACE WITH STUCK-OUT TONGUE AND TIGHTLY-CLOSED EYES]


Gesendet von meinem iPhone mit Tapatalk


Nach oben
 Profil  
 
Beiträge der letzten Zeit anzeigen:  Sortiere nach  
Ein neues Thema erstellen Auf das Thema antworten  [ 33 Beiträge ]  Gehe zu Seite Vorherige  1, 2, 3, 4  Nächste

Alle Zeiten sind UTC + 1 Stunde


Wer ist online?

Mitglieder in diesem Forum: 0 Mitglieder und 3 Gäste


Du darfst keine neuen Themen in diesem Forum erstellen.
Du darfst keine Antworten zu Themen in diesem Forum erstellen.
Du darfst deine Beiträge in diesem Forum nicht ändern.
Du darfst deine Beiträge in diesem Forum nicht löschen.
Du darfst keine Dateianhänge in diesem Forum erstellen.

Suche nach:
Gehe zu:  
cron
Powered by phpBB® Forum Software © phpBB Group
Deutsche Übersetzung durch phpBB.de